LFM Mikroanalytik GmbH

SHOP LEISTUNGEN IMPRESSUM DATENSCHUTZ KONTAKT

Detailaufnahmen Revisionsklappen mit Asbestpappe

leer

leer

Revisionsklappen in Küchen Berliner Altbauwohnungen

leer
leer

leer

Revisionsklappentür mit Asbestpappe als Dichtung

leer

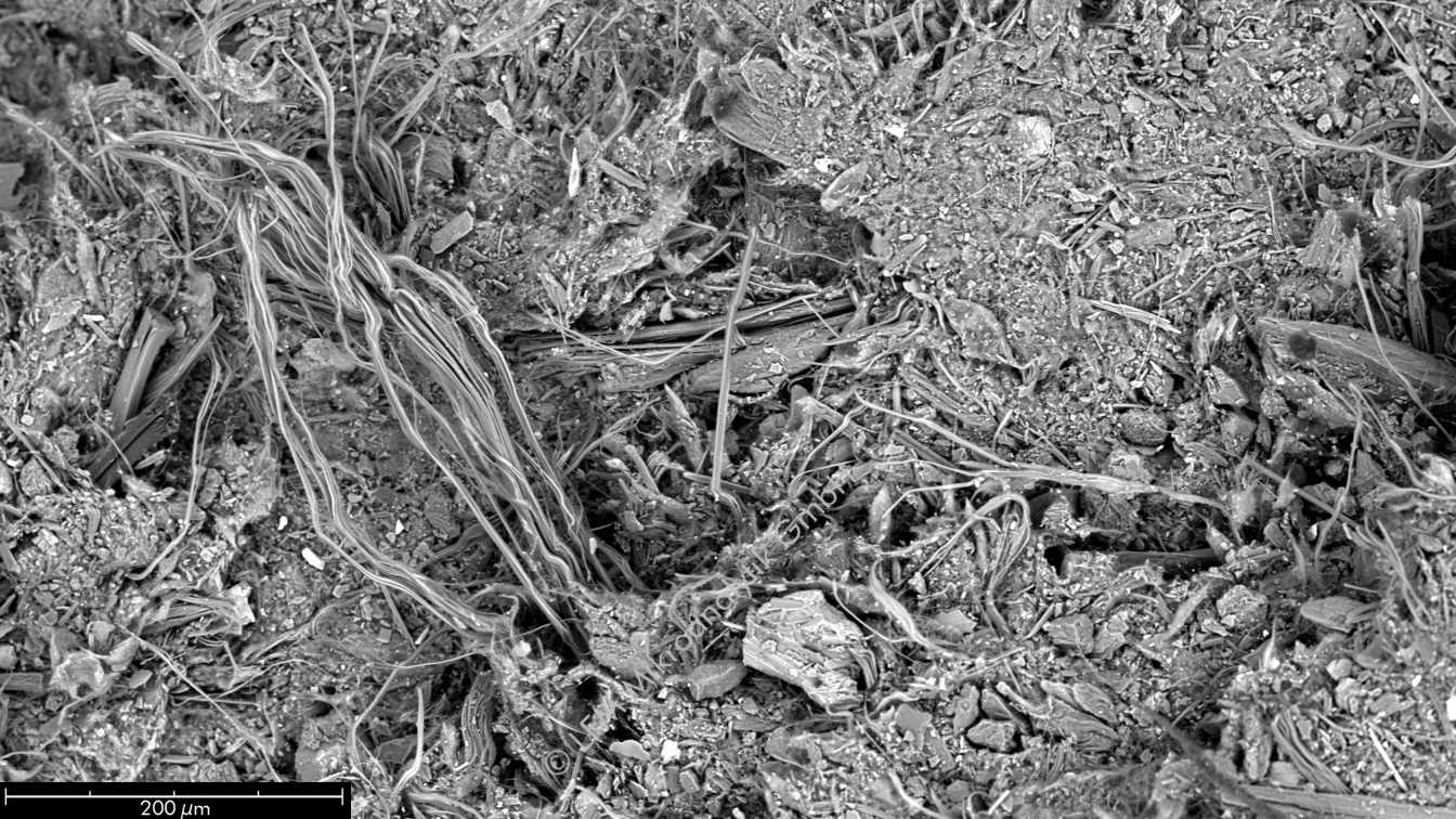
REM-Aufnahme der Asbestpappe

© 2024 LFM Mikroanalytik GmbH