LFM Mikroanalytik GmbH

SHOP LEISTUNGEN IMPRESSUM DATENSCHUTZ KONTAKT

Asbesthaltige Bodenbeläge - Cushion Vinyl

Bei Cushion Vinyl handelt es sich um mehrschichtige PVC-Bodenbeläge mit einer Asbestpappe auf der Unterseite als Trägerschicht. Der Asbest-gehalt in der Trägerschicht liegt deutlich über 50% (Asbest in schwach gebundener Form). Einige typische Reliefs:
leer
leer
leer
leer
leer
leer

leer
leer
leer
leer
leer
leer

leer

leer

leer

leer

Asbesthaltige Bodenbeläge - Asphalt-Asbest-Platten, Vinyl-Asbest-Platten, PVC-Platten und PVC-Bahnenware

Vinyl-Asbest-Platten (auch Flex-Platten genannt) wurden verstärkt in den 60-er bis 70-er Jahren als quadratische Platten mit Seitenlängen von 25-30 cm verbaut. Typisch sind marmorierte Oberflächen. Der Asbestgehalt der Matrix liegt bei ca. 5-20% (Asbest in fest gebundener Form). Die schwarzen Bitumenkleber zum Fixieren der Platten waren in der Regel ebenfalls asbesthaltig. Vorläufer der Vinyl-Asbest-Platten waren die Asphalt-Asbest-Platten, die Anfang der 50-er Jahre in den USA entwickelt wurden und Ende der 50-er bis Anfang der 60-er Jahre in Deutschland zum Einsatz kamen. Diese wiesen einen höheren Asbestgehalt als die Vinyl-Asbest-Platten auf (ca. 20 - 30%). In den 80-er Jahren wurden die brüchigen Flex-Platten durch elastische PVC-Platten und PVC- Bahnenware mit einem Asbestgehalt in der Matrix zwischen 1 und 5% ersetzt. Auffällig ist die zumeist fein strukturierte Unterseite.
leer
leer
leer
leer
leer
leer

Asphalt-Asbest-Platten (25 x 25 cm)
(Asphalt-asbestos floor tiles)

leer
leer
leer
leer
leer
leer

Vinyl-Asbest-Platten (25 x 25 cm)
(Vinyl-asbestos floor tiles)

leer
leer
leer
leer
leer
leer

PVC-Platte (30 x 30 cm)
PVC-Platte (50 x 50 cm)
PVC-Platte mit gemusterter Unterseite
PVC-Bahnenware Oberseite
PVC-Bahnenware Oberseite
PVC-Bahnenware mit gemusterter Unterseite

Wandbeläge (Asbest im Fliesenkleber und / oder Matrix)

Zur besseren Verarbeitung und zur Erhöhung der Adhäsion wurde Fliesenklebern in den 1960-er bis 1980-er Jahren Asbest zugesetzt. Insbeson-dere war dies der Fall bei Dünnbett-Mörtel/Kleber, wobei Dickbett-Mörtel auch asbesthaltig sein kann. Hauptsächlich wurde Chrysotilasbest verwendet, in Fliesenklebern auf nicht mineralischer Basis (bräunlicher Farbe) auch Amphibolasbest. Auch Wandfliesen können Asbest enthalten (sogenannte Flexfliesen mit einer PVC-Matrix), die eine Größe von 25 x 12,5 cm aufweisen und etwas dünner sind als die Vinyl-Asbest-Boden-Platten.
leer
leer
leer
leer
leer
leer

Asbest im mineralischem
Fliesenkleber
Asbest im mineralischem
Fliesenkleber
Asbest im mineralischem
Fliesenkleber
Flexfliesen (25 x 12,5 cm)
Asbest in der Matrix
event. im Fliesenkleber
Flexfliesen (25 x 12,5 cm)
Asbest in der Matrix
event. im Fliesenkleber
Flexfliese (25 x 12,5 cm)
Vorder- und Rückseite

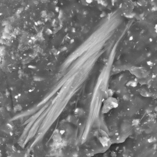
asbesthaltige Wand- und Bodenbeläge mit Faseraufnahmen vom Rasterelektronenmikroskop (REM)

leer leer
leer leer
leer leer
leer leer
leer leer
leer leer

Asbest im mineralischem Fliesenkleber
Asbest in der Matrix einer Flexplatte
Asbest im schwarzen Kleber auf der Unterseite einer Flexplatte
Asbest in der Matrix einer PVC-Platte
Asbest in der Trägerschicht eines Cushion Vinyl-Belags
Asbest im Industrieputz
auf Rohbeton

© 2026 LFM Mikroanalytik GmbH