LFM Mikroanalytik GmbH

SHOP LEISTUNGEN IMPRESSUM DATENSCHUTZ KONTAKT

Detailaufnahmen Flexplatte und Kleber mit Chrysotilasbest

leer

leer

Typischer Bodenbelag in einer Wohnung Baujahr 1971

leer
leer

Vorder- und Rückseite einer Flexplatte 25 x 25 cm

leer

Makroaufnahme des Flexplattenklebers

leer

REM-Mapping-Aufnahme eines Flexplattenquerschnitts mit Chrysotilasbest

leer

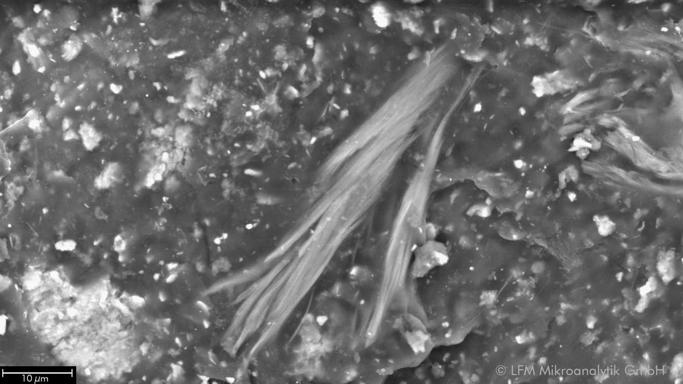
REM-Aufnahme des Flexplattenklebers mit Chrysotilasbest

© 2024 LFM Mikroanalytik GmbH